Important Notice
Malpas Tractors (Wrexham) Limited ceased trading in December 2024 and can no longer accept orders or enquiries.

This website is no longer being operated on behalf of Malpas Tractors (Wrexham) Limited. It is retained for technical purposes only and is not connected in any way with the former business, its directors, or its administrators.

A new website will be launched here in due course under separate ownership and branding. That business and website has no connection with Malpas Tractors (Wrexham) Limited or its former owners.

Please do not direct any enquiries regarding Malpas Tractors (Wrexham) Limited to this website, as they cannot be answered.

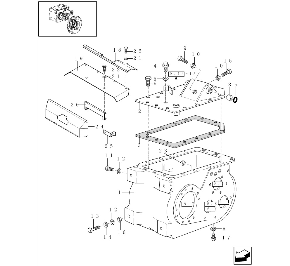
FX48 - (9/98-) Transmission

Diagram

View Previous Diagram View Next Diagram
Ref
Part No. and Description
Price (GBP)
 
Min.(Qty)
1
, Serial Range: -C127 (Job Qty: 1)
Part superseded - limited stock
 
Call
Ex VAT
1
1
, Start Serial: D128 (Job Qty: 1)
Part superseded - limited stock
 
Call
Ex VAT
1
1
, Start Serial: D128 (Job Qty: 1)
Part superseded - limited stock
 
Call
Ex VAT
1
2
(Job Qty: 1)
Part superseded - limited stock
 
Call
Ex VAT
1
3
(Job Qty: 1)
Part superseded - limited stock
 
Call
Ex VAT
1
4
(Job Qty: 1)
Part superseded - limited stock
 
Call
Ex VAT
1
5
SEALRING (Job Qty: 2)
Part superseded - limited stock
 
Call
Ex VAT
1
6
 
Call
Ex VAT
5
7
 
Call
Ex VAT
50
8
(Job Qty: 4)
Part superseded - limited stock
 
Call
Ex VAT
1
9
 
Call
Ex VAT
5
10
 
Call
Ex VAT
10
11
 
Call
Ex VAT
5
12
Call
Ex VAT
10
13
(Job Qty: 2)
Part superseded - limited stock
 
Call
Ex VAT
1
14
(Job Qty: 2)
Part superseded - limited stock
 
Call
Ex VAT
1
15
 
Call
Ex VAT
2
16
(Job Qty: 2)
Part superseded - limited stock
 
Call
Ex VAT
10
17
Magnetic (Job Qty: 1)
Part superseded - limited stock
 
Call
Ex VAT
1
18
(Job Qty: 1)
Part superseded - limited stock
 
Call
Ex VAT
1
19
, Serial Range: -C221 (Job Qty: 1)
Part superseded - limited stock
 
Call
Ex VAT
1
19
, Start Serial: D222 (Job Qty: 1)
Part superseded - limited stock
 
Call
Ex VAT
1
20
(Job Qty: 1)
Part superseded - limited stock
 
Call
Ex VAT
1
21
 
Call
Ex VAT
25
22
(Job Qty: 6)
Part superseded - limited stock
 
Call
Ex VAT
1
23
(Job Qty: 1)
Part superseded - limited stock
 
Call
Ex VAT
1
24
, Start Serial: D222 (Job Qty: 1)
Part superseded - limited stock
 
Call
Ex VAT
1
25
, Start Serial: D222 (Job Qty: 1)
Part superseded - limited stock
 
Call
Ex VAT
1
 
Malpas Tractors is a supplier of all the agricultural & horticultural needs of the North West of the UK & North Wales with main line suppliers of New Holland tractors, forage harvesters & combine harvesters: Kuhn Farm Machinery mowers, feeders & cultivation equipment:Port agric grass mowes & toppers: Simba Cultivation:Groundcare machinery for professional & leisure industry, Westwood: Lloyds & Co: Snapper: Kab Seating: AS Trailers & many more.