Important Notice
Malpas Tractors (Wrexham) Limited ceased trading in December 2024 and can no longer accept orders or enquiries.
This website is no longer being operated on behalf of Malpas Tractors (Wrexham) Limited. It is retained for technical purposes only and is not connected in any way with the former business, its directors, or its administrators.
A new website will be launched here in due course under separate ownership and branding. That business and website has no connection with Malpas Tractors (Wrexham) Limited or its former owners.
Please do not direct any enquiries regarding Malpas Tractors (Wrexham) Limited to this website, as they cannot be answered.
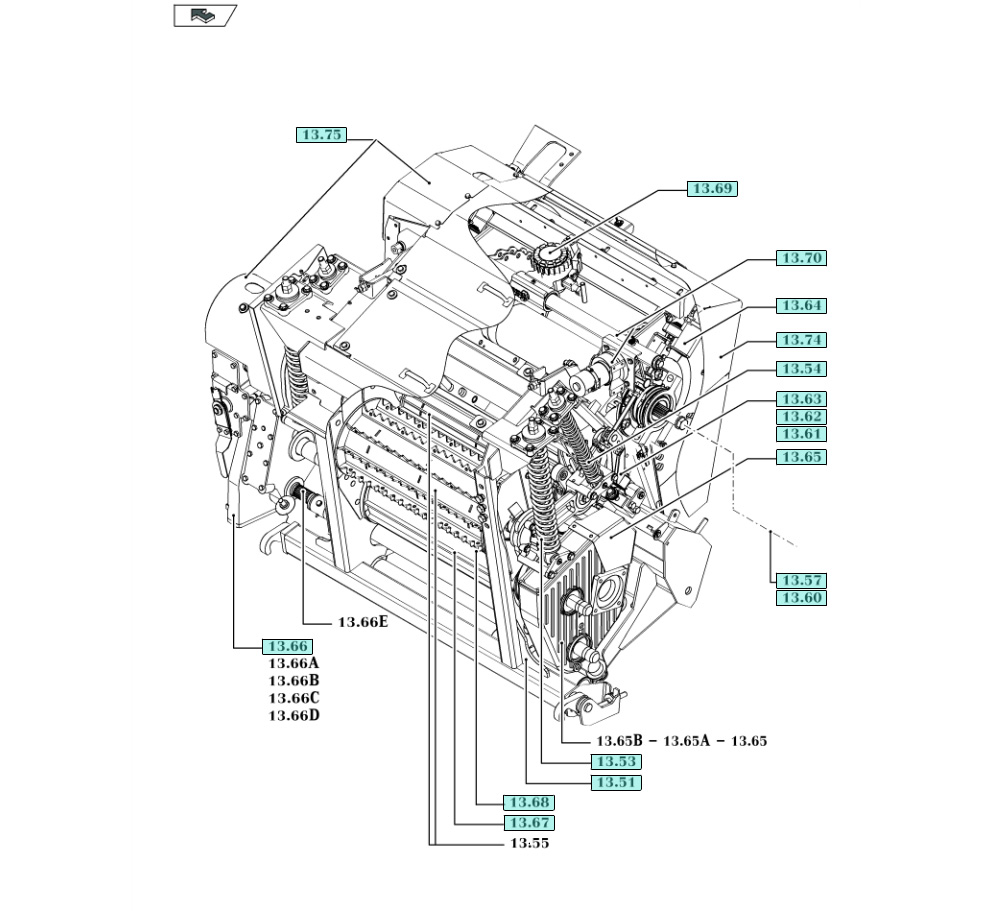
FX30 - (1/02-) Chopper Body
The above diagram does not contain any specific parts, the reference numbers listed refer to the category sub-sections. To find your part, use the drop down menu above the diagram and select the appropriate sub-section as illustrated in the graphic below.
Malpas Tractors is a supplier of all the agricultural & horticultural needs of the North West of the UK & North Wales with main line suppliers of New Holland tractors, forage harvesters & combine harvesters: Kuhn Farm Machinery mowers, feeders & cultivation equipment:Port agric grass mowes & toppers: Simba Cultivation:Groundcare machinery for professional & leisure industry, Westwood: Lloyds & Co: Snapper: Kab Seating: AS Trailers & many more.